Куплю болты!

Объявления о купле и продаже всего, относящегося к автомобилям Porsche.

Модераторы: fx, georotor, fraq

Storge
Младший джедай
Сообщения: 168
Зарегистрирован: 29 ноя 2014, 23:00
Откуда: Краснодар
Контактная информация:

Куплю болты!

Сообщение Storge »

Необходимо то что в списке:
на желтые кружки не надо смотреть:)

----------------------
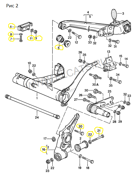
Рис 2:

22 - 2шт
21 - 1шт
16 - 1шт
20 - 1шт
6 - 1шт
7 - 2шт
8 - 2шт
11 - 1шт
9 - 1шт

-------------------------
Рис 3:

10 - 4шт
11 - 4шт
17 - 2шт
16 - 2шт
18 - 2шт
14 - 2 шт
15 - 2шт
5 - 1шт
-----------------------
Рис 6:

7 - 2шт
----------------------
Вложения
2.png
2.png (87.77 КБ) 10075 просмотров
6.JPG
6.JPG (43.44 КБ) 10075 просмотров
3.png
3.png (34.47 КБ) 10075 просмотров
Продажа силиконовых патрубков на 944\924

Bloodgoblin
Младший джедай
Сообщения: 115
Зарегистрирован: 27 янв 2015, 16:15
Откуда: Москва

Re: Куплю болты!

Сообщение Bloodgoblin »

состояние какое надо?

Аватара пользователя
Fly005
Сварщик
Сообщения: 91
Зарегистрирован: 29 ноя 2014, 23:38
Откуда: Москва
Контактная информация:

Re: Куплю болты!

Сообщение Fly005 »

большую часть крепежа можно в любом автомагазине купить)) в том же элкатсе почти все размеры указаны. записываешь и затариваешься килограммами
924 '80: будет 1.8turbo 937 look

Storge
Младший джедай
Сообщения: 168
Зарегистрирован: 29 ноя 2014, 23:00
Откуда: Краснодар
Контактная информация:

Re: Куплю болты!

Сообщение Storge »

Fly005 писал(а):большую часть крепежа можно в любом автомагазине купить)) в том же элкатсе почти все размеры указаны. записываешь и затариваешься килограммами
другой вопрос - качество.

но тут нужно изучать этот вопрос.
Продажа силиконовых патрубков на 944\924

Storge
Младший джедай
Сообщения: 168
Зарегистрирован: 29 ноя 2014, 23:00
Откуда: Краснодар
Контактная информация:

Re: Куплю болты!

Сообщение Storge »

Bloodgoblin писал(а):состояние какое надо?
Хорошее.
Не слизанные головы. Целая резьба.

Если что есть - пиши в личку. обсудим цены
Продажа силиконовых патрубков на 944\924

rem
Младший джедай
Сообщения: 128
Зарегистрирован: 30 ноя 2014, 13:27
Откуда: Краснодар

Re: Куплю болты!

Сообщение rem »

на рисунке 2 позиция 6 и 16,крайне не дешовый .а по болтам есть магазин спец крепёр,там из нержавейки есть,есть с прочностью 12 и т.д.но тоже болтики есть и 50-70 и170,на кабрика на 5т.р набрал!

Bloodgoblin
Младший джедай
Сообщения: 115
Зарегистрирован: 27 янв 2015, 16:15
Откуда: Москва

Re: Куплю болты!

Сообщение Bloodgoblin »

нержу не желательно ставить. характеристики прочности не те, да и в некоторых случаях гальвано пары могут образовываться

rem
Младший джедай
Сообщения: 128
Зарегистрирован: 30 ноя 2014, 13:27
Откуда: Краснодар

Re: Куплю болты!

Сообщение rem »

я в курсе,но по крепче 20-25 летних простых болтов!нержавейку польше в декаративных местах применять-это был пример,а так есть и чёрные очень прочные по сравнению с родными.

Bloodgoblin
Младший джедай
Сообщения: 115
Зарегистрирован: 27 янв 2015, 16:15
Откуда: Москва

Re: Куплю болты!

Сообщение Bloodgoblin »

в подвеске лучше применять болты 8.8 нежеле крепче. лучше пусть в случае чего сомнуться, чем лопнут. а старые поршовские качеством лучше нежеле сегодняшние. я вообще натыкался на болты сделанные методом порошковой металургии. вообще жесть

Storge
Младший джедай
Сообщения: 168
Зарегистрирован: 29 ноя 2014, 23:00
Откуда: Краснодар
Контактная информация:

Re: Куплю болты!

Сообщение Storge »

Bloodgoblin писал(а):в подвеске лучше применять болты 8.8 нежеле крепче. лучше пусть в случае чего сомнуться, чем лопнут. а старые поршовские качеством лучше нежеле сегодняшние. я вообще натыкался на болты сделанные методом порошковой металургии. вообще жесть
Ну так что там с болтами? есть какие?
Продажа силиконовых патрубков на 944\924

Ответить