Изготавливаем втулки на 944
Модераторы: fx, georotor, fraq
-
Storge
- Младший джедай
- Сообщения: 168
- Зарегистрирован: 29 ноя 2014, 23:00
- Откуда: Краснодар
- Контактная информация:
Изготавливаем втулки на 944
Всем товарищам согаражникам привет!
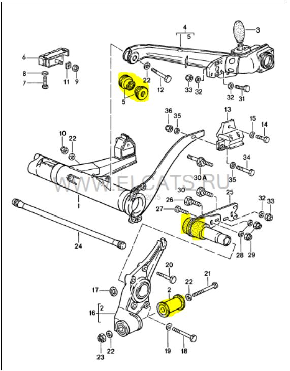
Есть мысль по производству втулок на заднюю ось для 944. (Выделил Желтым цветом) Я себе заказывал в штатах из полиграфита на балку.
Для рычага брал в powerflex.
Ребята в пиндосии делают из Derlin.
http://www.paragon-products.com/Bushing ... 2550-d.htm
http://www.paragon-products.com/Racers- ... 2560-d.htm
Но с текущим ценником на $, это очень не гуманно.
По работе с вставками для трубы было выяснено, что материал Derlin схож по своим параметрам с Капролоном.
Поэтому предлагаю по размерам моих новых втулок изготовить новые втулки из капролона.
Если кому интересно - пишите.
Материал я найду, токарь есть.
Цены обещают быть гуманными.
Есть мысль по производству втулок на заднюю ось для 944. (Выделил Желтым цветом) Я себе заказывал в штатах из полиграфита на балку.
Для рычага брал в powerflex.
Ребята в пиндосии делают из Derlin.
http://www.paragon-products.com/Bushing ... 2550-d.htm
http://www.paragon-products.com/Racers- ... 2560-d.htm
Но с текущим ценником на $, это очень не гуманно.
По работе с вставками для трубы было выяснено, что материал Derlin схож по своим параметрам с Капролоном.
Поэтому предлагаю по размерам моих новых втулок изготовить новые втулки из капролона.
Если кому интересно - пишите.
Материал я найду, токарь есть.
Цены обещают быть гуманными.
Продажа силиконовых патрубков на 944\924
- Shurick
- Телепорт
- Сообщения: 664
- Зарегистрирован: 28 ноя 2014, 03:25
- Откуда: Msk.ru
- Контактная информация:
Re: Изготавливаем втулки на 944
"Delrin" это коммерческое название материала "полиоксиметилен", он же полиформальдегид. Вот что пишет о нём педивикия. Я так понимаю, по механическим свойствам капролон близок, но отстаёт.
От себя вопрос: а пломбы у вас, граждане, не выпадут? =D
Это ж для боевых машин, не для городских. Костотряс же будет.
P.S. И, кстати, кроме резины и элефантовских хитрых бушингов в торсионах всё скрипит: и делрин, и полиуретан.
От себя вопрос: а пломбы у вас, граждане, не выпадут? =D
Это ж для боевых машин, не для городских. Костотряс же будет.
P.S. И, кстати, кроме резины и элефантовских хитрых бушингов в торсионах всё скрипит: и делрин, и полиуретан.
931 '79: интеркулер + K26-3060-6.10, тормоза 951S, салон выброшен, 951 look.
-
Storge
- Младший джедай
- Сообщения: 168
- Зарегистрирован: 29 ноя 2014, 23:00
- Откуда: Краснодар
- Контактная информация:
Re: Изготавливаем втулки на 944
Shurick писал(а):"Delrin" это коммерческое название материала "полиоксиметилен", он же полиформальдегид. Вот что пишет о нём педивикия. Я так понимаю, по механическим свойствам капролон близок, но отстаёт.
От себя вопрос: а пломбы у вас, граждане, не выпадут? =D
Это ж для боевых машин, не для городских. Костотряс же будет.
P.S. И, кстати, кроме резины и элефантовских хитрых бушингов в торсионах всё скрипит: и делрин, и полиуретан.
На счет пломб - это да. В жесткости машина прибавит:)
Мне на зад пришли черные втулки в рычаги для гонки вместо городских. Буду пробовать так:)
На счет скрипа - 50\50. Отзывы не однозначные.
Продажа силиконовых патрубков на 944\924
- poglyferal3
- Джедай
- Сообщения: 344
- Зарегистрирован: 28 ноя 2014, 15:45
- Откуда: Москва
- Контактная информация:
Re: Изготавливаем втулки на 944
Я двумя руками за изготовление.
Как насчет предполагаемого ресурса капролона?
Насчет скрипа и жесткости - сугубо субъективно, но втулки из капролона для транзакселя мне на ощупь не показались склонными к скрипу.
Как насчет предполагаемого ресурса капролона?
Насчет скрипа и жесткости - сугубо субъективно, но втулки из капролона для транзакселя мне на ощупь не показались склонными к скрипу.
- Tiburon
- Младший джедай
- Сообщения: 173
- Зарегистрирован: 28 ноя 2014, 14:52
- Откуда: Россия,Анапа
- Контактная информация:
Re: Изготавливаем втулки на 944
Delrin на Ebay можно купить.Вполне себе доступные цены были.
Porsche 944 M44.05 1987
Porsche 944 S2 M44.41 1991
Porsche 944 S2 M44.41 1991
-
Storge
- Младший джедай
- Сообщения: 168
- Зарегистрирован: 29 ноя 2014, 23:00
- Откуда: Краснодар
- Контактная информация:
Re: Изготавливаем втулки на 944
poglyferal3 писал(а):Я двумя руками за изготовление.
Как насчет предполагаемого ресурса капролона?
Насчет скрипа и жесткости - сугубо субъективно, но втулки из капролона для транзакселя мне на ощупь не показались склонными к скрипу.
Ресурс брольшой. судя по описаниям и свойсвам.
Первые пробы можем изготовить и передать по цене себестоимости на пробу!
Знатные инженеры - отзовитесь!
- Вложения
-
- Capture.JPG (56.31 КБ) 13925 просмотров
Продажа силиконовых патрубков на 944\924
- Shurick
- Телепорт
- Сообщения: 664
- Зарегистрирован: 28 ноя 2014, 03:25
- Откуда: Msk.ru
- Контактная информация:
Re: Изготавливаем втулки на 944
Инженер я не знатный, но на своего корчика от комплекта втулок не отказался бы.Storge писал(а): Ресурс брольшой. судя по описаниям и свойсвам.
Первые пробы можем изготовить и передать по цене себестоимости на пробу!
Знатные инженеры - отзовитесь!
931 '79: интеркулер + K26-3060-6.10, тормоза 951S, салон выброшен, 951 look.
-
Storge
- Младший джедай
- Сообщения: 168
- Зарегистрирован: 29 ноя 2014, 23:00
- Откуда: Краснодар
- Контактная информация:
Re: Изготавливаем втулки на 944
Shurick писал(а):Инженер я не знатный, но на своего корчика от комплекта втулок не отказался бы.Storge писал(а): Ресурс брольшой. судя по описаниям и свойсвам.
Первые пробы можем изготовить и передать по цене себестоимости на пробу!
Знатные инженеры - отзовитесь!
Получается 2 желающих уже есть + мне про запас!
Тогда я сниму все размеры со своих, гляну сколько стоит материал + работа и сообщу ценник.
Продажа силиконовых патрубков на 944\924
Re: Изготавливаем втулки на 944
Что-то меня смущают вот эти все заботы о пломбах, но если ценник будет не очень кусачий, тоже заказал бы комплект про запас.
porsche 924 '79
- Shurick
- Телепорт
- Сообщения: 664
- Зарегистрирован: 28 ноя 2014, 03:25
- Откуда: Msk.ru
- Контактная информация:
Re: Изготавливаем втулки на 944
Будем всей толпой скрипеть...=)
931 '79: интеркулер + K26-3060-6.10, тормоза 951S, салон выброшен, 951 look.